step motor damper
New- Product Detail
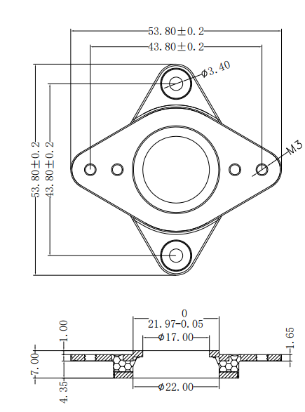
Drawing & dimension:
Key Features:
Vibration Damping:
Our step motor damper is crafted to absorb vibrations effectively, ensuring smooth and stable motor operation. Say goodbye to unwanted oscillations and embrace precision in every movement.
Material Excellence:
Engineered with high-quality elastomers, our dampers provide exceptional durability and resilience. The superior materials used guarantee long-lasting performance even in demanding industrial environments.
Increased Lifespan:
By reducing vibrations and minimizing stress on the step motor, our damper contributes to an extended lifespan, enhancing the overall durability and reliability of your equipment.
Customizable Solutions:
We understand that one size does not fit all. Our step motor dampers come in various sizes and specifications, allowing for easy integration into a wide range of step motor models.
Simple Installation:
Designed for user-friendly installation, our dampers streamline the setup process, saving valuable time and effort. Get your system up and running quickly with our hassle-free installation.
Applications:
CNC Machines
Robotics
3D Printers
Automation Systems



